Moderator: Moderator

To_mas napisał(a):kerad40, a ten zaworek jest brudny i ma białą głowowiczkę
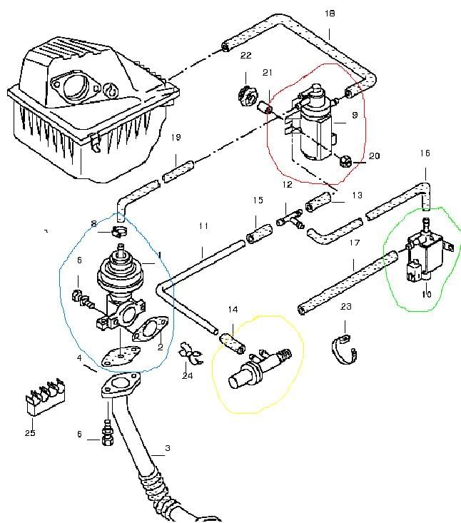
bo jeśli tak to jest zawór N75 tyle ze z silnika AFN
a jak patrze po twoim opisie to masz golfa z 94 roku czyli silnik 1Z a do tego silnika jest inny zawór N75 !

a gdzie ja to napisałemSotoM napisał(a):a TD to nie TDI


tak ? no to pokaż jak jesteś taki mądrySotoM napisał(a):w AFNie jest inny zaworek(inaczej wyglada)

To_mas napisał(a):a jak patrze po twoim opisie to masz golfa z 94 roku czyli silnik 1Z
To_mas napisał(a):kerad40, a ten zaworek jest brudny i ma białą głowowiczkę
bo jeśli tak to jest zawór N75 tyle ze z silnika AFN
a jak patrze po twoim opisie to masz golfa z 94 roku czyli silnik 1Z a do tego silnika jest inny zawór N75 !
zbastuj z emocjami...

SotoM napisał(a):ojjj jeszcze musisz sie duzo nauczyć

.Użytkownicy przeglądający ten dział: Brak zidentyfikowanych użytkowników i 20 gości